ECOMAX 3M545-SG/R-(35)D-

Стоимость товара
982054 руб.
Описание товара
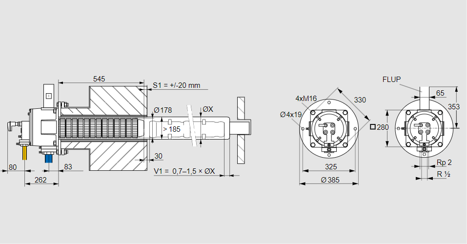
21803938, ECOMAX 3M545-SG/R-(35)D- Тип: Саморекуперативная газовая горелка. Для обогрева печных систем Размер горелок: 3, номинальная мощность: 100 кВт. Рекуператор: С рекуператором из литой стальной ребристой трубы. Длина рекуператора: 545 мм Использование: При поэтапном сжигании. Тип газа: Для сжиженного нефтяного газа Тип отопления: Для лучистого трубчатого отопления без эдуктора. Идентификатор головки горелки: (35) Стадия строительства: D Код товара: 84162080000 Страна происхождения: DE 21803938, ECOMAX 3M545-SG/R-(35)D- Type: Self recuperative burner for gas For heating of furnace systems Burner size: 3, rated capacity: 100 kW Recuperator: With cast steel ribbed tube recuperator Recuperator length: 545 mm Use: With staged combustion Gas type: For LPG Type of heating: For radiant tube heating without eductor Burner head identifier: (35) Construction stage: D Commodity code: 84162080000 Country of origin: DE
Технические характеристики

Производитель: Kromschröder
Артикул: 21803938