ECOMAX 3M545-SG/D-(35)D-

Описание товара
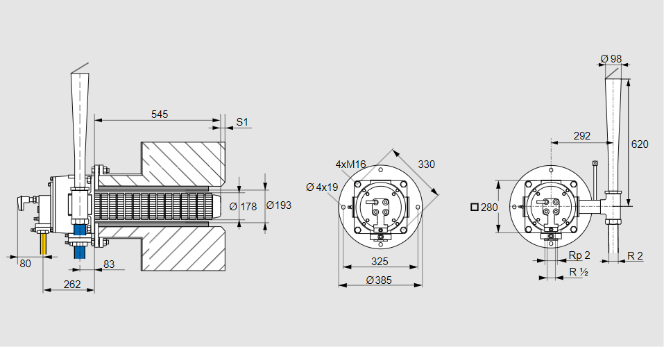
21803611, ECOMAX 3M545-SG/D-(35)D- Тип: Саморекуперативная газовая горелка. Для обогрева печных систем Размер горелок: 3, номинальная мощность: 100 кВт. Рекуператор: С рекуператором из литой стальной ребристой трубы. Длина рекуператора: 545 мм Использование: При поэтапном сжигании. Тип газа: Для сжиженного нефтяного газа Тип нагрева: Для прямого нагрева с эдуктором. Идентификатор головки горелки: (35) Стадия строительства: D Код товара: 84162080 Страна происхождения: DE 21803611, ECOMAX 3M545-SG/D-(35)D- Type: Self recuperative burner for gas For heating of furnace systems Burner size: 3, rated capacity: 100 kW Recuperator: With cast steel ribbed tube recuperator Recuperator length: 545 mm Use: With staged combustion Gas type: For LPG Type of heating: For direct heating with eductor Burner head identifier: (35) Construction stage: D Commodity code: 84162080 Country of origin: DE
Технические характеристики

Производитель: Kromschröder
Артикул: 21803611