ECOMAX 3M545-SB/R-(34)B-

Стоимость товара
955798 руб.
Описание товара
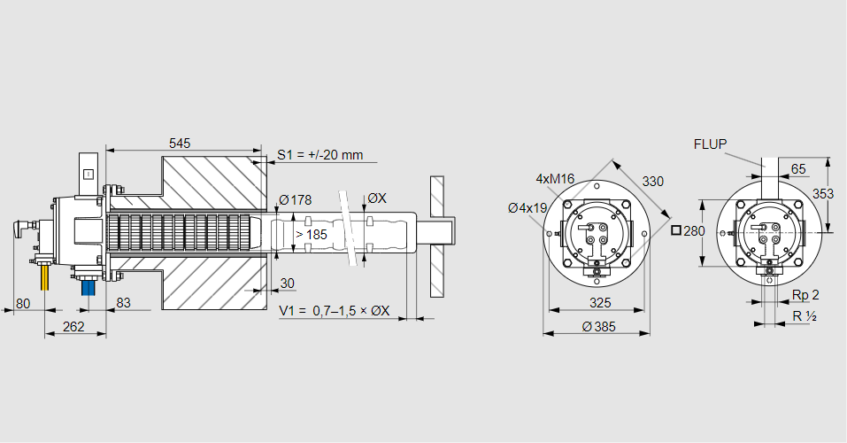
21802326, ЭКОМАКС 3М545-СБ/Р-(34)Б- Тип: Саморекуперативная газовая горелка. Для обогрева печных систем Размер горелок: 3, номинальная мощность: 100 кВт. Рекуператор: С рекуператором из литой стальной ребристой трубы. Длина рекуператора: 545 мм Использование: При поэтапном сжигании. Тип газа: Для природного газа Тип отопления: Для лучистого трубчатого отопления без эдуктора. Идентификатор головки горелки: (34) Стадия строительства: Б Код товара: 84162080 Страна происхождения: DE 21802326, ECOMAX 3M545-SB/R-(34)B- Type: Self recuperative burner for gas For heating of furnace systems Burner size: 3, rated capacity: 100 kW Recuperator: With cast steel ribbed tube recuperator Recuperator length: 545 mm Use: With staged combustion Gas type: For natural gas Type of heating: For radiant tube heating without eductor Burner head identifier: (34) Construction stage: B Commodity code: 84162080 Country of origin: DE
Технические характеристики

Производитель: Kromschröder
Артикул: 21802326