ECOMAX 3F545-SB/R-(34)B-W

Стоимость товара
711600 руб.
Описание товара
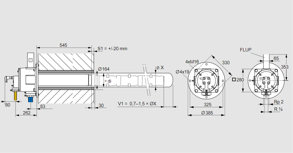
21803114, ECOMAX 3F545-SB/R-(34)Ч-Б Тип: Саморекуперативная газовая горелка. Для обогрева печных систем Размер горелок: 3, номинальная мощность: 100 кВт. Рекуператор: С металлическим рекуператором с плоской трубкой. Длина рекуператора: 545 мм Использование: При поэтапном сжигании. Тип газа: Для природного газа Тип отопления: Для лучистого трубчатого отопления без эдуктора. Идентификатор головки горелки: (34) Стадия строительства: Б Измерение объема воздуха специальной конструкции: подключение воздуха без промежуточного фланца Код товара: 84162080 Страна происхождения: DE 21803114, ECOMAX 3F545-SB/R-(34)B-W Type: Self recuperative burner for gas For heating of furnace systems Burner size: 3, rated capacity: 100 kW Recuperator: With metallic flat tube recuperator Recuperator length: 545 mm Use: With staged combustion Gas type: For natural gas Type of heating: For radiant tube heating without eductor Burner head identifier: (34) Construction stage: B Special design air volume measurement: Air connection without intermediate flange Commodity code: 84162080 Country of origin: DE
Технические характеристики

Производитель: Kromschröder
Артикул: 21803114