ECOMAX 2M545-SB/D-(33)B-

Стоимость товара
736907 руб.
Описание товара
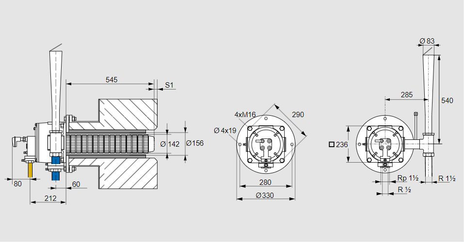
21802364, ЭКОМАКС 2М545-СБ/Д-(33)Б- Тип: Саморекуперативная газовая горелка. Для обогрева печных систем Размер горелок: 2, номинальная мощность: 60 кВт. Рекуператор: С рекуператором из литой стальной ребристой трубы. Длина рекуператора: 545 мм Использование: При поэтапном сжигании. Тип газа: Для природного газа Тип нагрева: Для прямого нагрева с эдуктором. Идентификатор головки горелки: (33) Стадия строительства: Б Код товара: 84162080 Страна происхождения: DE 21802364, ECOMAX 2M545-SB/D-(33)B- Type: Self recuperative burner for gas For heating of furnace systems Burner size: 2, rated capacity: 60 kW Recuperator: With cast steel ribbed tube recuperator Recuperator length: 545 mm Use: With staged combustion Gas type: For natural gas Type of heating: For direct heating with eductor Burner head identifier: (33) Construction stage: B Commodity code: 84162080 Country of origin: DE
Технические характеристики

Производитель: Kromschröder
Артикул: 21802364