ECOMAX 2F545-SB/R-(33)B-

Стоимость товара
538974 руб.
Описание товара
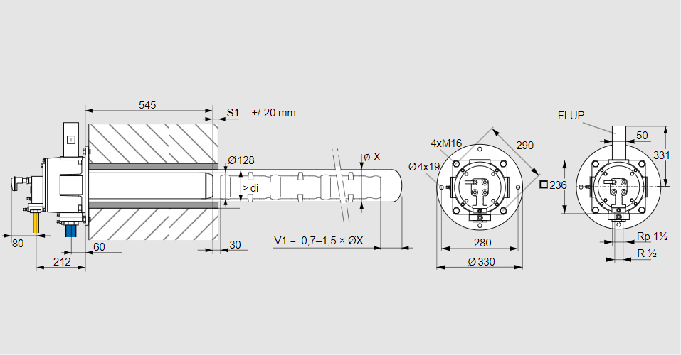
21803438, ECOMAX 2F545-SB/R-(33)B- Тип: Саморекуперативная газовая горелка. Для обогрева печных систем Размер горелок: 2, номинальная мощность: 60 кВт. Рекуператор: С металлическим рекуператором с плоской трубкой. Длина рекуператора: 545 мм Использование: При поэтапном сжигании. Тип газа: Для природного газа Тип отопления: Для лучистого трубчатого отопления без эдуктора. Идентификатор головки горелки: (33) Стадия строительства: Б Код товара: 84162080000 Страна происхождения: DE 21803438, ECOMAX 2F545-SB/R-(33)B- Type: Self recuperative burner for gas For heating of furnace systems Burner size: 2, rated capacity: 60 kW Recuperator: With metallic flat tube recuperator Recuperator length: 545 mm Use: With staged combustion Gas type: For natural gas Type of heating: For radiant tube heating without eductor Burner head identifier: (33) Construction stage: B Commodity code: 84162080000 Country of origin: DE
Технические характеристики

Производитель: Kromschröder
Артикул: 21803438