ECOMAX 0C395-SB/R-(31)B-A

Стоимость товара
478589 руб.
Описание товара
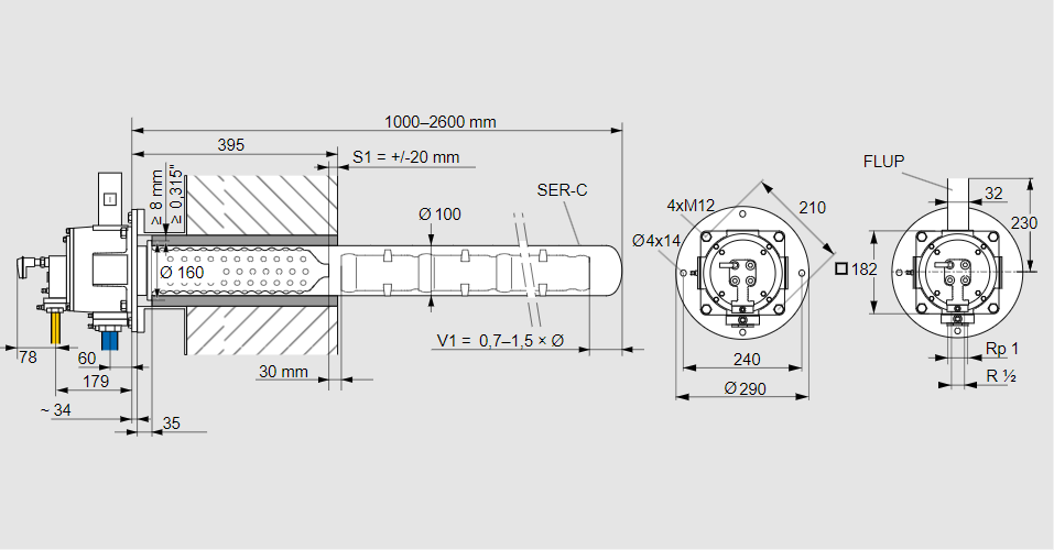
21802394, ECOMAX 0C395-SB/R-(31)B-A Тип: Саморекуперативная газовая горелка. Для обогрева печных систем Размер горелки: 0, номинальная мощность: 25 кВт Рекуператор: С керамическим трубчатым рекуператором из SiSiC. Длина рекуператора: 395 мм Использование: При поэтапном сжигании. Тип газа: Для природного газа Тип отопления: Для лучистого трубчатого отопления без эдуктора. Идентификатор головки горелки: (31) Стадия строительства: Б Электрод специальной конструкции: Электрод из Kanthal APM. Код товара: 84162080000 Страна происхождения: DE 21802394, ECOMAX 0C395-SB/R-(31)B-A Type: Self recuperative burner for gas For heating of furnace systems Burner size: 0, rated capacity: 25 kW Recuperator: With ceramic burled tube recuperator made of SiSiC Recuperator length: 395 mm Use: With staged combustion Gas type: For natural gas Type of heating: For radiant tube heating without eductor Burner head identifier: (31) Construction stage: B Special design electrode: Electrode made of Kanthal APM Commodity code: 84162080000 Country of origin: DE
Технические характеристики

Производитель: Kromschröder
Артикул: 21802394