BICA 65RM-150/185-(71A)D

Стоимость товара
304508 руб.
Описание товара
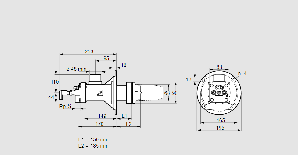
84199124, БИКА 65РМ-150/185-(71А)Д Тип: Газовая горелка, с алюминиевым корпусом и подключением для керамической трубки. Размер горелки: 65 Использование: Холодный воздух Тип газа: Для пропана, пропана/бутана, бутана (со смесителем) Длина стальной трубы от фланца печи: 150 мм. Расстояние от фланца печи до переднего края головки горелки: 185 мм. Идентификатор головки горелки: 71 Головка горелки: термостойкая Стадия строительства: D Код товара: 84162080 Страна происхождения: DE 84199124, BICA 65RM-150/185-(71A)D Type: Burner for gas, with aluminium housing and connection for ceramic tube Burner size: 65 Use: Cold air Gas type: For propane, propane/butane, butane (with mixer) Length of steel tube as of furnace flange: 150 mm Distance from furnace flange to front edge of burner head: 185 mm Burner head identifier: 71 Burner head: Heat-resistant Construction stage: D Commodity code: 84162080 Country of origin: DE
Технические характеристики

Производитель: Kromschröder
Артикул: 84199124