BICA 65HM-0/35-(72A)D

Стоимость товара
251415 руб.
Описание товара
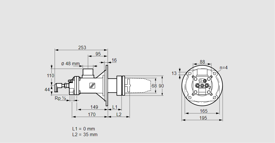
84199158, БИКА 65ХМ-0/35-(72А)Д Тип: Газовая горелка, с алюминиевым корпусом и подключением для керамической трубки. Размер горелки: 65 Использование: Горячий воздух/высокая температура печи. Тип газа: Для пропана, пропана/бутана, бутана (со смесителем) Длина стальной трубы от фланца печи: 0 мм. Расстояние от фланца печи до переднего края головки горелки: 35 мм. Идентификатор головки горелки: 72 Головка горелки: термостойкая Стадия строительства: D Код товара: 84162080 Страна происхождения: DE 84199158, BICA 65HM-0/35-(72A)D Type: Burner for gas, with aluminium housing and connection for ceramic tube Burner size: 65 Use: Hot air/high furnace temperature Gas type: For propane, propane/butane, butane (with mixer) Length of steel tube as of furnace flange: 0 mm Distance from furnace flange to front edge of burner head: 35 mm Burner head identifier: 72 Burner head: Heat-resistant Construction stage: D Commodity code: 84162080 Country of origin: DE
Технические характеристики

Производитель: Kromschröder
Артикул: 84199158