BIC 80RM-350/385-(12A)E

Стоимость товара
452311 руб.
Описание товара
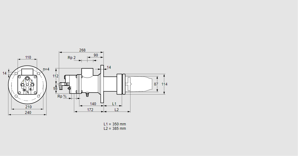
84099523, БИК 80РМ-350/385-(12А)Е Тип: Газовая горелка с подключением для керамической трубки Размер горелки: 80 Использование: Холодный воздух Тип газа: Для пропана, пропана/бутана, бутана (со смесителем) Длина стальной трубы от фланца печи: 350 мм. Расстояние от фланца печи до переднего края головки горелки: 385 мм. Идентификатор головки горелки: 12 Головка горелки: термостойкая Стадия строительства: Е Код товара: 84162080 Страна происхождения: DE 84099523, BIC 80RM-350/385-(12A)E Type: Burner for gas, with connection for ceramic tube Burner size: 80 Use: Cold air Gas type: For propane, propane/butane, butane (with mixer) Length of steel tube as of furnace flange: 350 mm Distance from furnace flange to front edge of burner head: 385 mm Burner head identifier: 12 Burner head: Heat-resistant Construction stage: E Commodity code: 84162080 Country of origin: DE
Технические характеристики

Производитель: Kromschröder
Артикул: 84099523