BIC 80LB-300/335-(59)F

Стоимость товара
445923 руб.
Описание товара
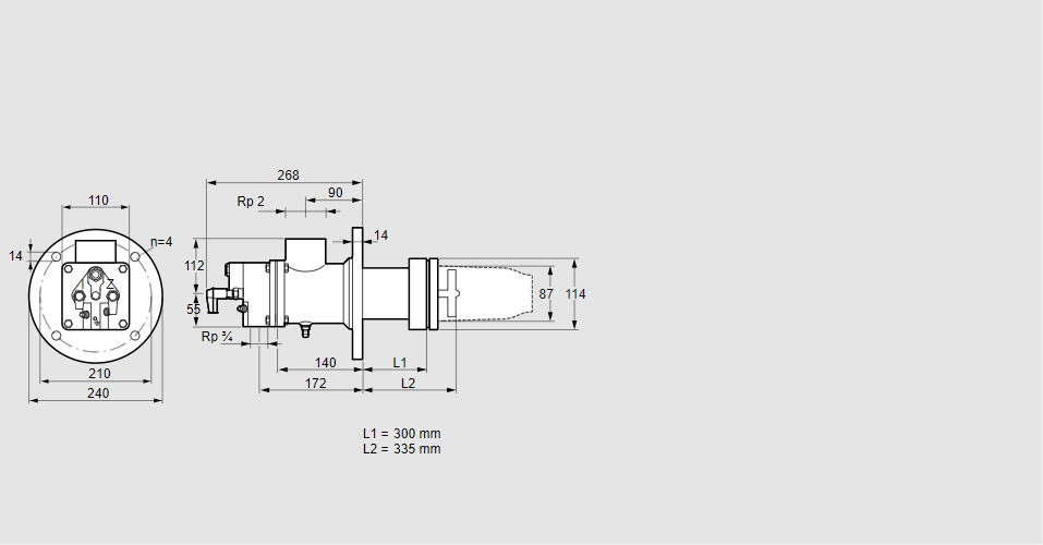
84032149, БИК 80ЛБ-300/335-(59)Ф Тип: Газовая горелка с подключением для керамической трубки Размер горелки: 80 Применение: Для большого избытка воздуха и большого диапазона воспламенения. Тип газа: Для природного газа Длина стальной трубы от фланца печи: 300 мм. Расстояние от фланца печи до переднего края головки горелки: 335 мм. Идентификатор головки горелки: 59 Стадия строительства: F Код товара: 84162080000 Страна происхождения: DE 84032149, BIC 80LB-300/335-(59)F Type: Burner for gas, with connection for ceramic tube Burner size: 80 Use: For high excess air and a large ignition range Gas type: For natural gas Length of steel tube as of furnace flange: 300 mm Distance from furnace flange to front edge of burner head: 335 mm Burner head identifier: 59 Construction stage: F Commodity code: 84162080000 Country of origin: DE
Технические характеристики

Производитель: Kromschröder
Артикул: 84032149