BIC 80HM-150/185-(35)F

Стоимость товара
388306 руб.
Описание товара
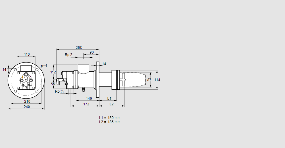
84032126, БИК 80ХМ-150/185-(35)Ф Тип: Газовая горелка с подключением для керамической трубки Размер горелки: 80 Использование: Горячий воздух/высокая температура печи. Тип газа: Для пропана, пропана/бутана, бутана (со смесителем) Длина стальной трубы от фланца печи: 150 мм. Расстояние от фланца печи до переднего края головки горелки: 185 мм. Идентификатор головки горелки: 35 Стадия строительства: F Код товара: 84162080 Страна происхождения: DE 84032126, BIC 80HM-150/185-(35)F Type: Burner for gas, with connection for ceramic tube Burner size: 80 Use: Hot air/high furnace temperature Gas type: For propane, propane/butane, butane (with mixer) Length of steel tube as of furnace flange: 150 mm Distance from furnace flange to front edge of burner head: 185 mm Burner head identifier: 35 Construction stage: F Commodity code: 84162080 Country of origin: DE
Технические характеристики

Производитель: Kromschröder
Артикул: 84032126