BIC 80HLR-400/435-(56)D

Стоимость товара
439578 руб.
Описание товара
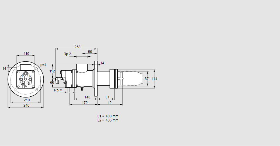
84199254, БИК 80HLR-400/435-(56)Д Тип: Газовая горелка с подключением для керамической трубки Размер горелки: 80 Использование: Горячий воздух/высокая температура печи. Тип газа: Для газа с низкой теплотворной способностью Вариант: уменьшенная емкость (BIC: выберите керамическую трубку согласно информации в брошюре) Длина стальной трубы от фланца печи: 400 мм. Расстояние от фланца печи до переднего края головки горелки: 435 мм. Идентификатор головки горелки: 56 Стадия строительства: D Код товара: 84162080 Страна происхождения: DE 84199254, BIC 80HLR-400/435-(56)D Type: Burner for gas, with connection for ceramic tube Burner size: 80 Use: Hot air/high furnace temperature Gas type: For low calorific value gas Variant: Reduced capacity (BIC: select ceramic tube according to brochure information) Length of steel tube as of furnace flange: 400 mm Distance from furnace flange to front edge of burner head: 435 mm Burner head identifier: 56 Construction stage: D Commodity code: 84162080 Country of origin: DE
Технические характеристики

Производитель: Kromschröder
Артикул: 84199254