BIC 80HB-350/385-(16A)F

Стоимость товара
452311 руб.
Описание товара
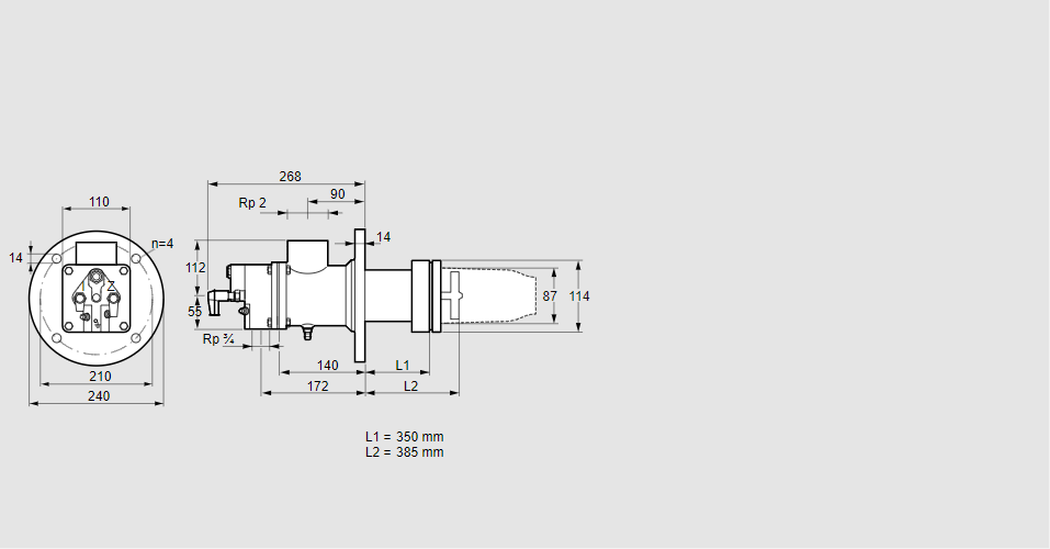
84099558, БИК 80ХБ-350/385-(16А)Ф Тип: Газовая горелка с подключением для керамической трубки Размер горелки: 80 Использование: Горячий воздух/высокая температура печи. Тип газа: Для природного газа Длина стальной трубы от фланца печи: 350 мм. Расстояние от фланца печи до переднего края головки горелки: 385 мм. Идентификатор головки горелки: 16 Головка горелки: термостойкая Стадия строительства: F Код товара: 84162080 Страна происхождения: DE 84099558, BIC 80HB-350/385-(16A)F Type: Burner for gas, with connection for ceramic tube Burner size: 80 Use: Hot air/high furnace temperature Gas type: For natural gas Length of steel tube as of furnace flange: 350 mm Distance from furnace flange to front edge of burner head: 385 mm Burner head identifier: 16 Burner head: Heat-resistant Construction stage: F Commodity code: 84162080 Country of origin: DE
Технические характеристики

Производитель: Kromschröder
Артикул: 84099558