BIC 80HB-250/285-(16)F

Стоимость товара
413501 руб.
Описание товара
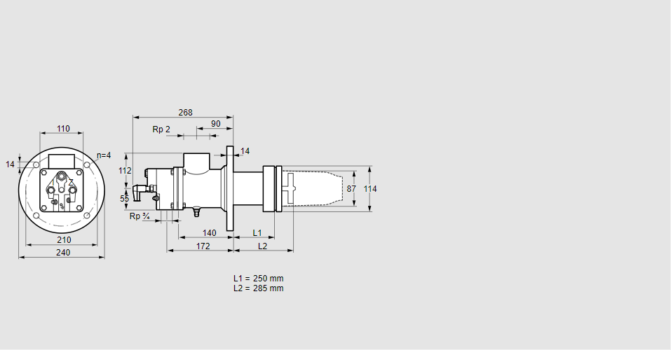
84032034, БИК 80ХБ-250/285-(16)Ф Тип: Газовая горелка с подключением для керамической трубки Размер горелки: 80 Использование: Горячий воздух/высокая температура печи. Тип газа: Для природного газа Длина стальной трубы от фланца печи: 250 мм. Расстояние от фланца печи до переднего края головки горелки: 285 мм. Идентификатор головки горелки: 16 Стадия строительства: F Код товара: 84162080000 Страна происхождения: DE 84032034, BIC 80HB-250/285-(16)F Type: Burner for gas, with connection for ceramic tube Burner size: 80 Use: Hot air/high furnace temperature Gas type: For natural gas Length of steel tube as of furnace flange: 250 mm Distance from furnace flange to front edge of burner head: 285 mm Burner head identifier: 16 Construction stage: F Commodity code: 84162080000 Country of origin: DE
Технические характеристики

Производитель: Kromschröder
Артикул: 84032034