BIC 80HB-150/185-(16E)F

Стоимость товара
466122 руб.
Описание товара
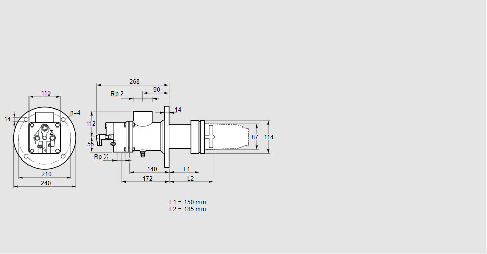
84199010, БИК 80ХБ-150/185-(16Е)Ф Тип: Газовая горелка с подключением для керамической трубки Размер горелки: 80 Использование: Горячий воздух/высокая температура печи. Тип газа: Для природного газа Длина стальной трубы от фланца печи: 150 мм. Расстояние от фланца печи до переднего края головки горелки: 185 мм. Идентификатор головки горелки: 16 Головка горелки: Термостойкая, с продуваемыми электродами. Стадия строительства: F Код товара: 84162080 Страна происхождения: DE 84199010, BIC 80HB-150/185-(16E)F Type: Burner for gas, with connection for ceramic tube Burner size: 80 Use: Hot air/high furnace temperature Gas type: For natural gas Length of steel tube as of furnace flange: 150 mm Distance from furnace flange to front edge of burner head: 185 mm Burner head identifier: 16 Burner head: Heat-resistant, with purged electrodes Construction stage: F Commodity code: 84162080 Country of origin: DE
Технические характеристики

Производитель: Kromschröder
Артикул: 84199010