BIC 65RB-200/335-(37)E

Стоимость товара
363857 руб.
Описание товара
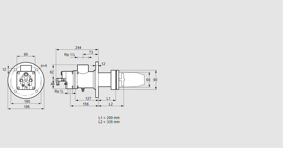
84099323, БИК 65РБ-200/335-(37)Э Тип: Газовая горелка с подключением для керамической трубки Размер горелки: 65 Использование: Холодный воздух Тип газа: Для природного газа Длина стальной трубы от фланца печи: 200 мм. Расстояние от фланца печи до переднего края головки горелки: 335 мм. Идентификатор головки горелки: 37 Стадия строительства: Е Код товара: 84162080 Страна происхождения: DE 84099323, BIC 65RB-200/335-(37)E Type: Burner for gas, with connection for ceramic tube Burner size: 65 Use: Cold air Gas type: For natural gas Length of steel tube as of furnace flange: 200 mm Distance from furnace flange to front edge of burner head: 335 mm Burner head identifier: 37 Construction stage: E Commodity code: 84162080 Country of origin: DE
Технические характеристики

Производитель: Kromschröder
Артикул: 84099323