BIC 65RB-0/35-(37)E

Стоимость товара
297467 руб.
Описание товара
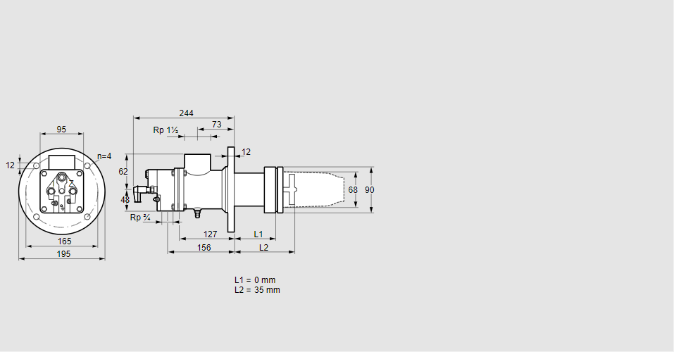
84031011, БИК 65РБ-0/35-(37)Е Тип: Газовая горелка с подключением для керамической трубки Размер горелки: 65 Использование: Холодный воздух Тип газа: Для природного газа Длина стальной трубы от фланца печи: 0 мм. Расстояние от фланца печи до переднего края головки горелки: 35 мм. Идентификатор головки горелки: 37 Стадия строительства: Е Код товара: 84162080000 Страна происхождения: DE 84031011, BIC 65RB-0/35-(37)E Type: Burner for gas, with connection for ceramic tube Burner size: 65 Use: Cold air Gas type: For natural gas Length of steel tube as of furnace flange: 0 mm Distance from furnace flange to front edge of burner head: 35 mm Burner head identifier: 37 Construction stage: E Commodity code: 84162080000 Country of origin: DE
Технические характеристики

Производитель: Kromschröder
Артикул: 84031011