BIC 65HD-1300/1335-(98)F

Описание товара
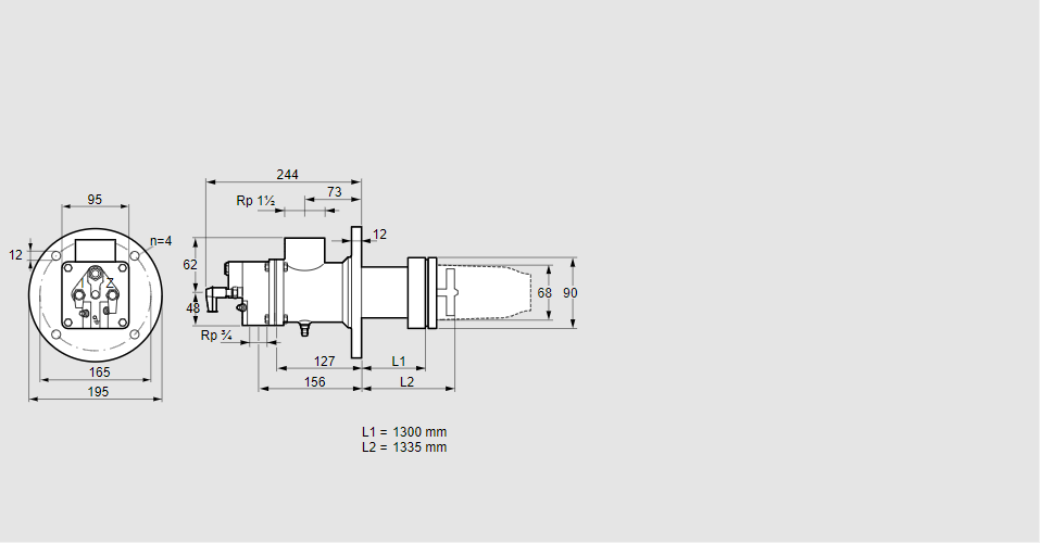
84199329, БИК 65HD-1300/1335-(98)Ф Тип: Газовая горелка с подключением для керамической трубки Размер горелки: 65 Использование: Горячий воздух/высокая температура печи. Тип газа: Для коксового газа, городского газа Длина стальной трубы до фланца печи: 1300 мм. Расстояние от фланца печи до переднего края головки горелки: 1335 мм. Идентификатор головки горелки: 98 Стадия строительства: F Код товара: 84162080 Страна происхождения: DE 84199329, BIC 65HD-1300/1335-(98)F Type: Burner for gas, with connection for ceramic tube Burner size: 65 Use: Hot air/high furnace temperature Gas type: For coke oven gas, town gas Length of steel tube as of furnace flange: 1300 mm Distance from furnace flange to front edge of burner head: 1335 mm Burner head identifier: 98 Construction stage: F Commodity code: 84162080 Country of origin: DE
Технические характеристики

Производитель: Kromschröder
Артикул: 84199329