BIC 65HB-700/835-(34A)E

Стоимость товара
464857 руб.
Описание товара
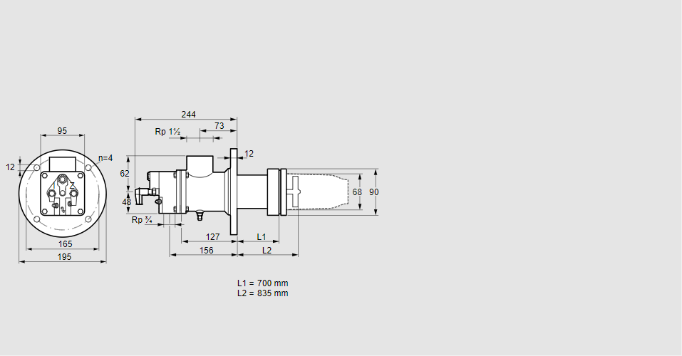
84199153, БИК 65ХБ-700/835-(34А)Е Тип: Газовая горелка с подключением для керамической трубки Размер горелки: 65 Использование: Горячий воздух/высокая температура печи. Тип газа: Для природного газа Длина стальной трубы от фланца печи: 700 мм. Расстояние от фланца печи до переднего края головки горелки: 835 мм. Идентификатор головки горелки: 34 Головка горелки: термостойкая Стадия строительства: Е Код товара: 84162080000 Страна происхождения: DE 84199153, BIC 65HB-700/835-(34A)E Type: Burner for gas, with connection for ceramic tube Burner size: 65 Use: Hot air/high furnace temperature Gas type: For natural gas Length of steel tube as of furnace flange: 700 mm Distance from furnace flange to front edge of burner head: 835 mm Burner head identifier: 34 Burner head: Heat-resistant Construction stage: E Commodity code: 84162080000 Country of origin: DE
Технические характеристики

Производитель: Kromschröder
Артикул: 84199153