BIC 140RM-0/235-(48)E

Стоимость товара
803706 руб.
Описание товара
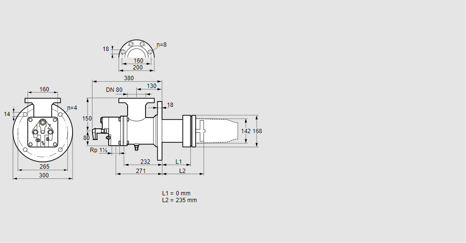
84199373, БИК 140РМ-0/235-(48)Е Тип: Газовая горелка с подключением для керамической трубки Размер горелки: 140 Использование: Холодный воздух Тип газа: Для пропана, пропана/бутана, бутана (со смесителем) Длина стальной трубы от фланца печи: 0 мм. Расстояние от фланца печи до переднего края головки горелки: 235 мм. Идентификатор головки горелки: 48 Стадия строительства: Е Код товара: 84162080000 Страна происхождения: DE 84199373, BIC 140RM-0/235-(48)E Type: Burner for gas, with connection for ceramic tube Burner size: 140 Use: Cold air Gas type: For propane, propane/butane, butane (with mixer) Length of steel tube as of furnace flange: 0 mm Distance from furnace flange to front edge of burner head: 235 mm Burner head identifier: 48 Construction stage: E Commodity code: 84162080000 Country of origin: DE
Технические характеристики

Производитель: Kromschröder
Артикул: 84199373