BIC 140RBL-300/335-(54)E

Описание товара
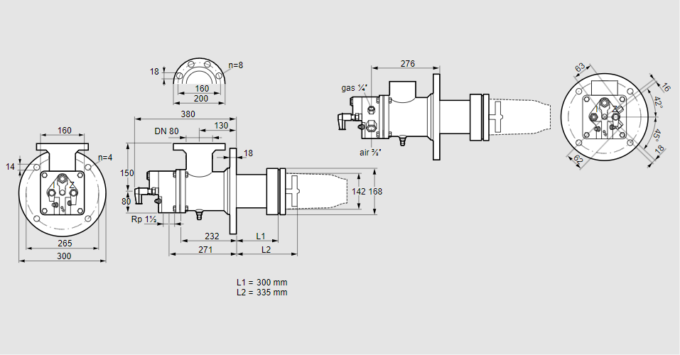
84035042, БИК 140РБЛ-300/335-(54)Э Тип: Газовая горелка с подключением для керамической трубки Размер горелки: 140 Использование: Холодный воздух Тип газа: Для природного газа Вариант: Факел Длина стальной трубы от фланца печи: 300 мм. Расстояние от фланца печи до переднего края головки горелки: 335 мм. Идентификатор головки горелки: 54 Стадия строительства: Е Код товара: 84162080 Страна происхождения: DE 84035042, BIC 140RBL-300/335-(54)E Type: Burner for gas, with connection for ceramic tube Burner size: 140 Use: Cold air Gas type: For natural gas Variant: Torch Length of steel tube as of furnace flange: 300 mm Distance from furnace flange to front edge of burner head: 335 mm Burner head identifier: 54 Construction stage: E Commodity code: 84162080 Country of origin: DE
Технические характеристики

Производитель: Kromschröder
Артикул: 84035042