BIC 140MB-100/135-(75)E

Описание товара
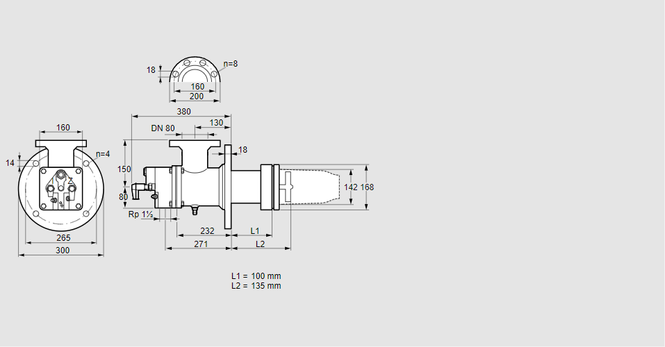
84035420, БИК 140МБ-100/135-(75)Э Тип: Газовая горелка с подключением для керамической трубки Размер горелки: 140 Использование: Для работы Menox с низким уровнем выбросов NOx. Тип газа: Для природного газа Длина стальной трубы от фланца печи: 100 мм. Расстояние от фланца печи до переднего края головки горелки: 135 мм. Идентификатор головки горелки: 75 Стадия строительства: Е Код товара: 84162080 Страна происхождения: DE 84035420, BIC 140MB-100/135-(75)E Type: Burner for gas, with connection for ceramic tube Burner size: 140 Use: For menox low NOx operation Gas type: For natural gas Length of steel tube as of furnace flange: 100 mm Distance from furnace flange to front edge of burner head: 135 mm Burner head identifier: 75 Construction stage: E Commodity code: 84162080 Country of origin: DE
Технические характеристики

Производитель: Kromschröder
Артикул: 84035420