BIC 140MB-0/35-(75)E

Стоимость товара
990688 руб.
Описание товара
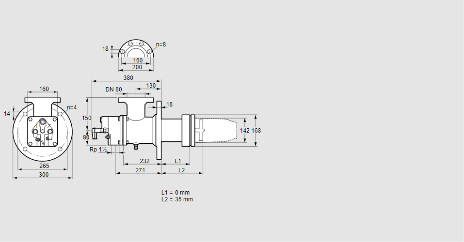
84035410, БИК 140МБ-0/35-(75)Е Тип: Газовая горелка с подключением для керамической трубки Размер горелки: 140 Использование: Для работы Menox с низким уровнем выбросов NOx. Тип газа: Для природного газа Длина стальной трубы от фланца печи: 0 мм. Расстояние от фланца печи до переднего края головки горелки: 35 мм. Идентификатор головки горелки: 75 Стадия строительства: Е Код товара: 84162080000 Страна происхождения: DE 84035410, BIC 140MB-0/35-(75)E Type: Burner for gas, with connection for ceramic tube Burner size: 140 Use: For menox low NOx operation Gas type: For natural gas Length of steel tube as of furnace flange: 0 mm Distance from furnace flange to front edge of burner head: 35 mm Burner head identifier: 75 Construction stage: E Commodity code: 84162080000 Country of origin: DE
Технические характеристики

Производитель: Kromschröder
Артикул: 84035410