BIC 140LB-0/35-(60)E

Стоимость товара
836077 руб.
Описание товара
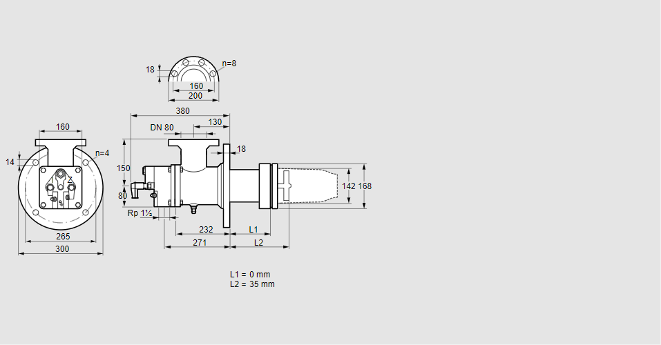
84035310, БИК 140ЛБ-0/35-(60)Э Тип: Газовая горелка с подключением для керамической трубки Размер горелки: 140 Применение: Для большого избытка воздуха и большого диапазона воспламенения. Тип газа: Для природного газа Длина стальной трубы от фланца печи: 0 мм. Расстояние от фланца печи до переднего края головки горелки: 35 мм. Идентификатор головки горелки: 60 Стадия строительства: Е Код товара: 84162080 Страна происхождения: DE 84035310, BIC 140LB-0/35-(60)E Type: Burner for gas, with connection for ceramic tube Burner size: 140 Use: For high excess air and a large ignition range Gas type: For natural gas Length of steel tube as of furnace flange: 0 mm Distance from furnace flange to front edge of burner head: 35 mm Burner head identifier: 60 Construction stage: E Commodity code: 84162080 Country of origin: DE
Технические характеристики

Производитель: Kromschröder
Артикул: 84035310