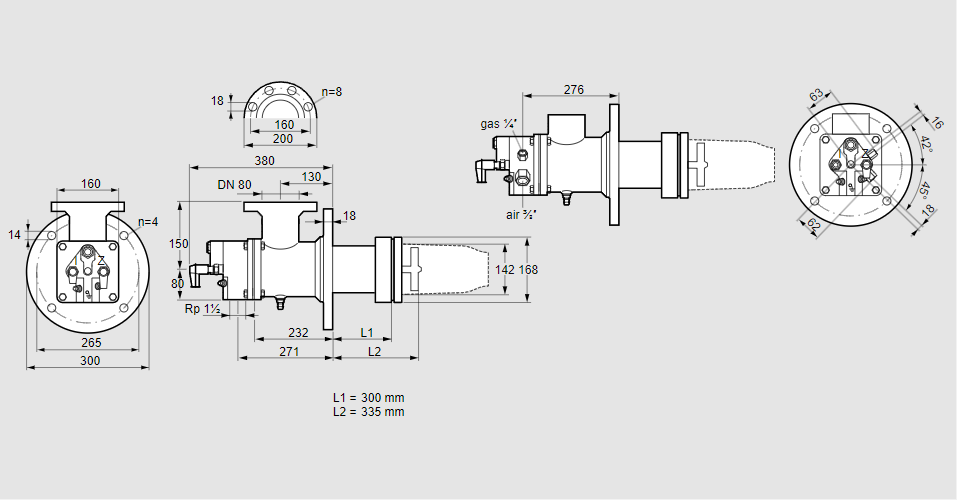
BIC 140HML-300/335-(53)E

Стоимость товара
973218 руб.
Описание товара
84035141, БИК 140ХМЛ-300/335-(53)Е Тип: Газовая горелка с подключением для керамической трубки Размер горелки: 140 Использование: Горячий воздух/высокая температура печи. Тип газа: Для пропана, пропана/бутана, бутана (со смесителем) Вариант: Факел Длина стальной трубы от фланца печи: 300 мм. Расстояние от фланца печи до переднего края головки горелки: 335 мм. Идентификатор головки горелки: 53 Стадия строительства: Е Код товара: 84162080 Страна происхождения: DE 84035141, BIC 140HML-300/335-(53)E Type: Burner for gas, with connection for ceramic tube Burner size: 140 Use: Hot air/high furnace temperature Gas type: For propane, propane/butane, butane (with mixer) Variant: Torch Length of steel tube as of furnace flange: 300 mm Distance from furnace flange to front edge of burner head: 335 mm Burner head identifier: 53 Construction stage: E Commodity code: 84162080 Country of origin: DE
Технические характеристики

Производитель: Kromschröder
Артикул: 84035141