BIC 140HM-250/285-(52)ER

Описание товара
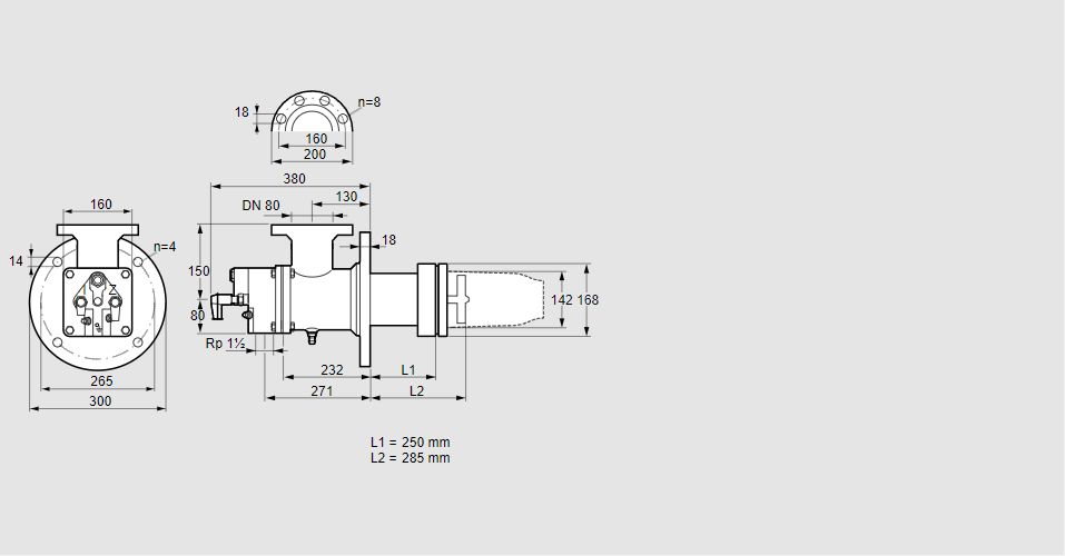
84199259, БИК 140ХМ-250/285-(52)ЭР Тип: Газовая горелка с подключением для керамической трубки Размер горелки: 140 Использование: Горячий воздух/высокая температура печи. Тип газа: Для пропана, пропана/бутана, бутана (со смесителем) Длина стальной трубы от фланца печи: 250 мм. Расстояние от фланца печи до переднего края головки горелки: 285 мм. Идентификатор головки горелки: 52 Стадия строительства: Е Специальное использование: Для кольцевого корпуса горелки с избытком воздуха. Код товара: 84162080000 Страна происхождения: DE 84199259, BIC 140HM-250/285-(52)ER Type: Burner for gas, with connection for ceramic tube Burner size: 140 Use: Hot air/high furnace temperature Gas type: For propane, propane/butane, butane (with mixer) Length of steel tube as of furnace flange: 250 mm Distance from furnace flange to front edge of burner head: 285 mm Burner head identifier: 52 Construction stage: E Special use: For annular excess air burner housing Commodity code: 84162080000 Country of origin: DE
Технические характеристики

Производитель: Kromschröder
Артикул: 84199259