BIC 140HB-350/385-(26)E

Стоимость товара
887069 руб.
Описание товара
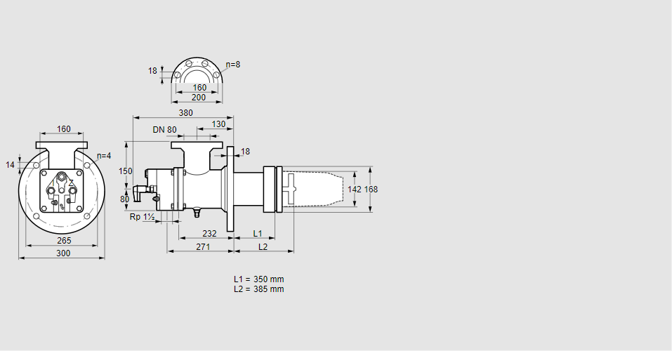
84099811, БИК 140ХБ-350/385-(26)Э Тип: Газовая горелка с подключением для керамической трубки Размер горелки: 140 Использование: Горячий воздух/высокая температура печи. Тип газа: Для природного газа Длина стальной трубы от фланца печи: 350 мм. Расстояние от фланца печи до переднего края головки горелки: 385 мм. Идентификатор головки горелки: 26 Стадия строительства: Е Код товара: 84162080 Страна происхождения: DE 84099811, BIC 140HB-350/385-(26)E Type: Burner for gas, with connection for ceramic tube Burner size: 140 Use: Hot air/high furnace temperature Gas type: For natural gas Length of steel tube as of furnace flange: 350 mm Distance from furnace flange to front edge of burner head: 385 mm Burner head identifier: 26 Construction stage: E Commodity code: 84162080 Country of origin: DE
Технические характеристики

Производитель: Kromschröder
Артикул: 84099811