BIC 125RB-600/635-(15)E

Стоимость товара
740002 руб.
Описание товара
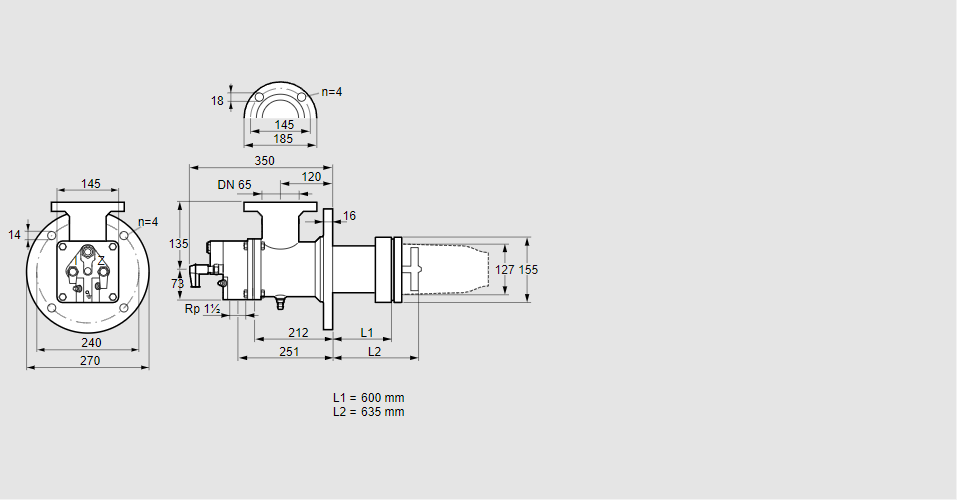
84034074, БИК 125РБ-600/635-(15)Э Тип: Газовая горелка с подключением для керамической трубки Размер горелки: 125 Использование: Холодный воздух Тип газа: Для природного газа Длина стальной трубы от фланца печи: 600 мм. Расстояние от фланца печи до переднего края головки горелки: 635 мм. Идентификатор головки горелки: 15 Стадия строительства: Е Код товара: 84162080 Страна происхождения: DE 84034074, BIC 125RB-600/635-(15)E Type: Burner for gas, with connection for ceramic tube Burner size: 125 Use: Cold air Gas type: For natural gas Length of steel tube as of furnace flange: 600 mm Distance from furnace flange to front edge of burner head: 635 mm Burner head identifier: 15 Construction stage: E Commodity code: 84162080 Country of origin: DE
Технические характеристики

Производитель: Kromschröder
Артикул: 84034074