BIC 125RB-0/35-(15)E

Стоимость товара
568465 руб.
Описание товара
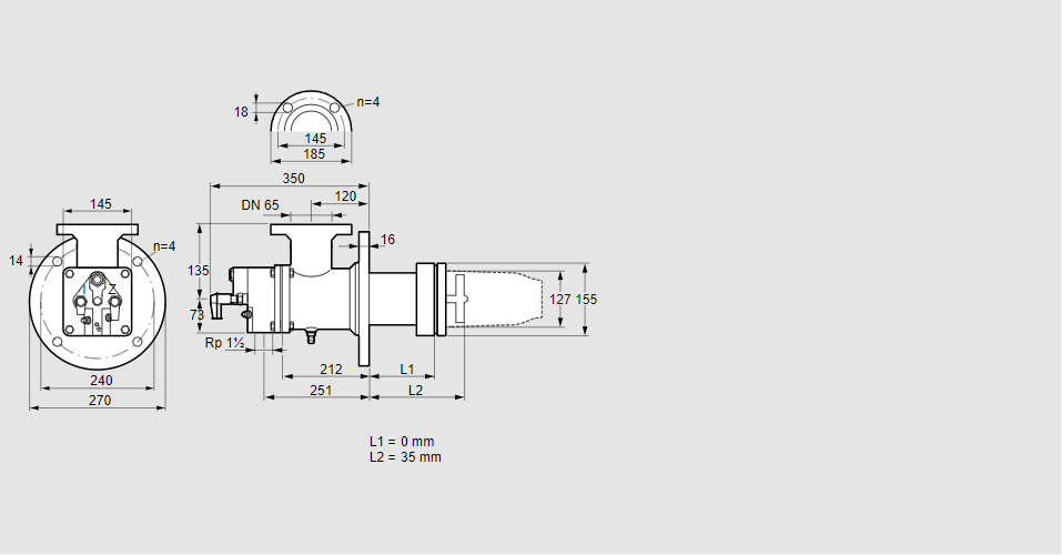
84034014, БИК 125РБ-0/35-(15)Е Тип: Газовая горелка с подключением для керамической трубки Размер горелки: 125 Использование: Холодный воздух Тип газа: Для природного газа Длина стальной трубы от фланца печи: 0 мм. Расстояние от фланца печи до переднего края головки горелки: 35 мм. Идентификатор головки горелки: 15 Стадия строительства: Е Код товара: 84162080 Страна происхождения: DE 84034014, BIC 125RB-0/35-(15)E Type: Burner for gas, with connection for ceramic tube Burner size: 125 Use: Cold air Gas type: For natural gas Length of steel tube as of furnace flange: 0 mm Distance from furnace flange to front edge of burner head: 35 mm Burner head identifier: 15 Construction stage: E Commodity code: 84162080 Country of origin: DE
Технические характеристики

Производитель: Kromschröder
Артикул: 84034014