BIC 125MB-100/135-(26)E

Стоимость товара
731250 руб.
Описание товара
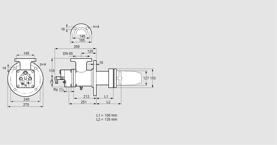
84034320, БИК 125МБ-100/135-(26)Э Тип: Газовая горелка с подключением для керамической трубки Размер горелки: 125 Использование: Для работы Menox с низким уровнем выбросов NOx. Тип газа: Для природного газа Длина стальной трубы от фланца печи: 100 мм. Расстояние от фланца печи до переднего края головки горелки: 135 мм. Идентификатор головки горелки: 26 Стадия строительства: Е Код товара: 84162080 Страна происхождения: DE 84034320, BIC 125MB-100/135-(26)E Type: Burner for gas, with connection for ceramic tube Burner size: 125 Use: For menox low NOx operation Gas type: For natural gas Length of steel tube as of furnace flange: 100 mm Distance from furnace flange to front edge of burner head: 135 mm Burner head identifier: 26 Construction stage: E Commodity code: 84162080 Country of origin: DE
Технические характеристики

Производитель: Kromschröder
Артикул: 84034320