BIC 125HD-500/535-(22)E

Описание товара
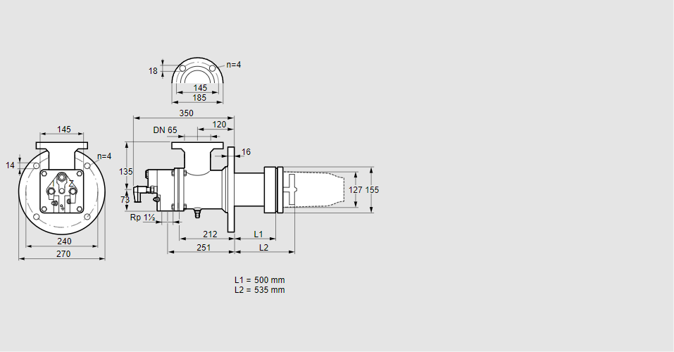
84034068, БИК 125HD-500/535-(22)Е Тип: Газовая горелка с подключением для керамической трубки Размер горелки: 125 Использование: Горячий воздух/высокая температура печи. Тип газа: Для коксового газа, городского газа Длина стальной трубы от фланца печи: 500 мм. Расстояние от фланца печи до переднего края головки горелки: 535 мм. Идентификатор головки горелки: 22 Стадия строительства: Е Код товара: 84162080000 Страна происхождения: DE 84034068, BIC 125HD-500/535-(22)E Type: Burner for gas, with connection for ceramic tube Burner size: 125 Use: Hot air/high furnace temperature Gas type: For coke oven gas, town gas Length of steel tube as of furnace flange: 500 mm Distance from furnace flange to front edge of burner head: 535 mm Burner head identifier: 22 Construction stage: E Commodity code: 84162080000 Country of origin: DE
Технические характеристики

Производитель: Kromschröder
Артикул: 84034068