BIC 125HBL-200/235-(9)E

Стоимость товара
715309 руб.
Описание товара
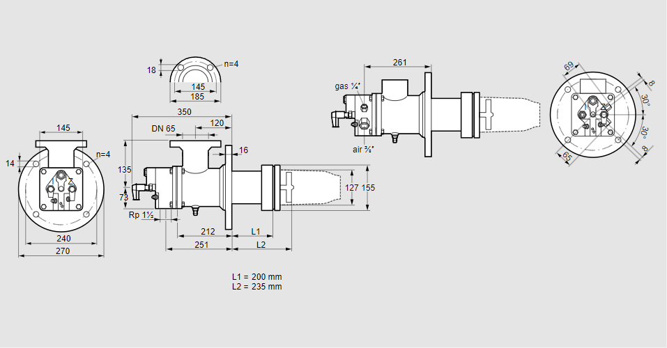
84034031, БИК 125ХБЛ-200/235-(9)Э Тип: Газовая горелка с подключением для керамической трубки Размер горелки: 125 Использование: Горячий воздух/высокая температура печи. Тип газа: Для природного газа Вариант: Факел Длина стальной трубы от фланца печи: 200 мм. Расстояние от фланца печи до переднего края головки горелки: 235 мм. Идентификатор головки горелки: 9 Стадия строительства: Е Код товара: 84162080 Страна происхождения: DE 84034031, BIC 125HBL-200/235-(9)E Type: Burner for gas, with connection for ceramic tube Burner size: 125 Use: Hot air/high furnace temperature Gas type: For natural gas Variant: Torch Length of steel tube as of furnace flange: 200 mm Distance from furnace flange to front edge of burner head: 235 mm Burner head identifier: 9 Construction stage: E Commodity code: 84162080 Country of origin: DE
Технические характеристики

Производитель: Kromschröder
Артикул: 84034031