BIC 100RML-0/35-(112)E

Стоимость товара
435276 руб.
Описание товара
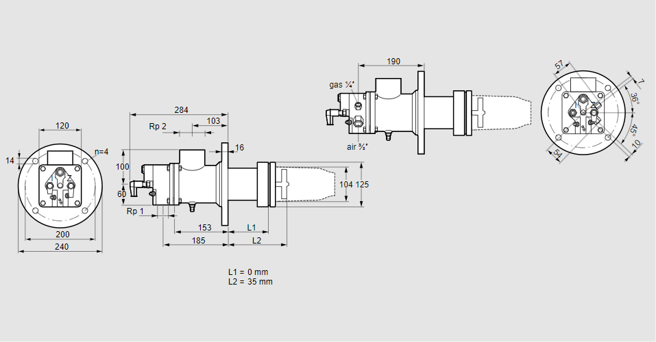
84033312, БИК 100РМЛ-0/35-(112)Э Тип: Газовая горелка с подключением для керамической трубки Размер горелки: 100 Использование: Холодный воздух Тип газа: Для пропана, пропана/бутана, бутана (со смесителем) Вариант: Факел Длина стальной трубы от фланца печи: 0 мм. Расстояние от фланца печи до переднего края головки горелки: 35 мм. Идентификатор головки горелки: 112 Стадия строительства: Е Код товара: 84162080 Страна происхождения: DE 84033312, BIC 100RML-0/35-(112)E Type: Burner for gas, with connection for ceramic tube Burner size: 100 Use: Cold air Gas type: For propane, propane/butane, butane (with mixer) Variant: Torch Length of steel tube as of furnace flange: 0 mm Distance from furnace flange to front edge of burner head: 35 mm Burner head identifier: 112 Construction stage: E Commodity code: 84162080 Country of origin: DE
Технические характеристики

Производитель: Kromschröder
Артикул: 84033312