BIC 100RM-400/435-(110)E

Описание товара
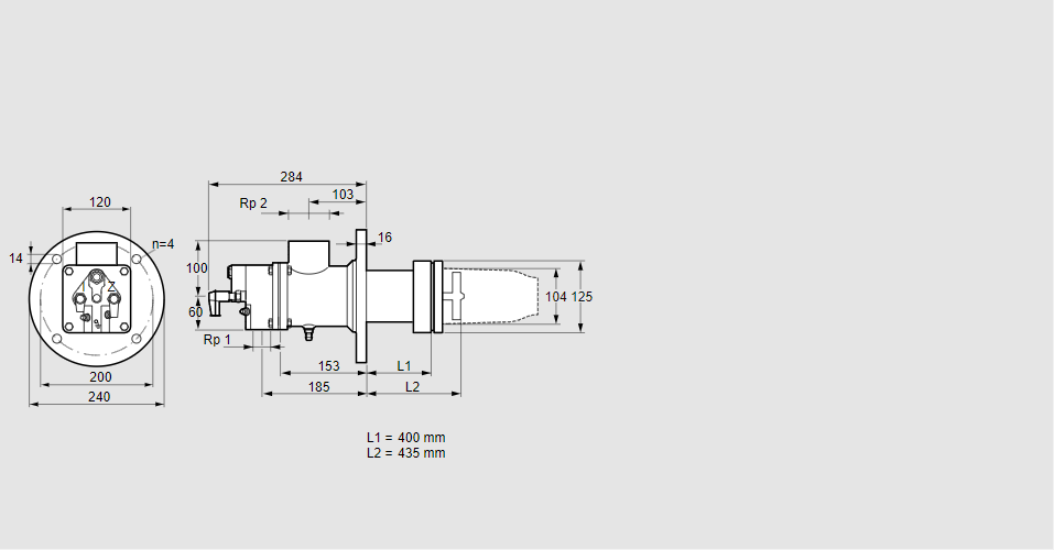
84033351, БИК 100РМ-400/435-(110)Э Тип: Газовая горелка с подключением для керамической трубки Размер горелки: 100 Использование: Холодный воздух Тип газа: Для пропана, пропана/бутана, бутана (со смесителем) Длина стальной трубы от фланца печи: 400 мм. Расстояние от фланца печи до переднего края головки горелки: 435 мм. Идентификатор головки горелки: 110 Стадия строительства: Е Код товара: 84162080 Страна происхождения: DE 84033351, BIC 100RM-400/435-(110)E Type: Burner for gas, with connection for ceramic tube Burner size: 100 Use: Cold air Gas type: For propane, propane/butane, butane (with mixer) Length of steel tube as of furnace flange: 400 mm Distance from furnace flange to front edge of burner head: 435 mm Burner head identifier: 110 Construction stage: E Commodity code: 84162080 Country of origin: DE
Технические характеристики

Производитель: Kromschröder
Артикул: 84033351