BIC 100RD-150/185-(39A)E

Описание товара
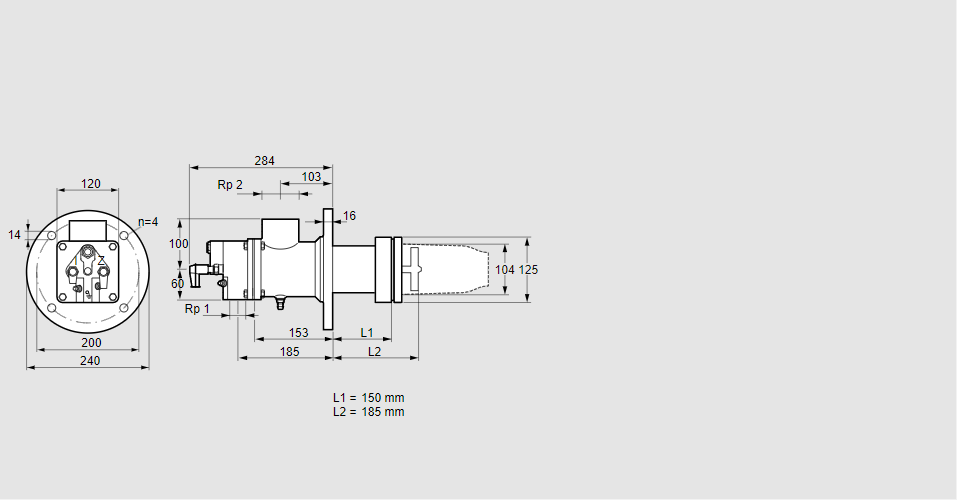
84099666, БИК 100РД-150/185-(39А)Е Тип: Газовая горелка с подключением для керамической трубки Размер горелки: 100 Использование: Холодный воздух Тип газа: Для коксового газа, городского газа Длина стальной трубы от фланца печи: 150 мм. Расстояние от фланца печи до переднего края головки горелки: 185 мм. Идентификатор головки горелки: 39 Головка горелки: термостойкая Стадия строительства: Е Код товара: 84162080 Страна происхождения: DE 84099666, BIC 100RD-150/185-(39A)E Type: Burner for gas, with connection for ceramic tube Burner size: 100 Use: Cold air Gas type: For coke oven gas, town gas Length of steel tube as of furnace flange: 150 mm Distance from furnace flange to front edge of burner head: 185 mm Burner head identifier: 39 Burner head: Heat-resistant Construction stage: E Commodity code: 84162080 Country of origin: DE
Технические характеристики

Производитель: Kromschröder
Артикул: 84099666