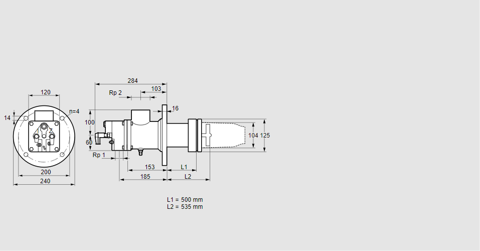
BIC 100RB-500/535-(109)FR

Стоимость товара
567780 руб.
Описание товара
84033580, БИК 100РБ-500/535-(109)ФР Тип: Газовая горелка с подключением для керамической трубки Размер горелки: 100 Использование: Холодный воздух Тип газа: Для природного газа Длина стальной трубы от фланца печи: 500 мм. Расстояние от фланца печи до переднего края головки горелки: 535 мм. Идентификатор головки горелки: 109 Стадия строительства: F Специальное использование: Для кольцевого корпуса горелки с избытком воздуха. Код товара: 84162080 Страна происхождения: DE 84033580, BIC 100RB-500/535-(109)FR Type: Burner for gas, with connection for ceramic tube Burner size: 100 Use: Cold air Gas type: For natural gas Length of steel tube as of furnace flange: 500 mm Distance from furnace flange to front edge of burner head: 535 mm Burner head identifier: 109 Construction stage: F Special use: For annular excess air burner housing Commodity code: 84162080 Country of origin: DE
Технические характеристики

Производитель: Kromschröder
Артикул: 84033580