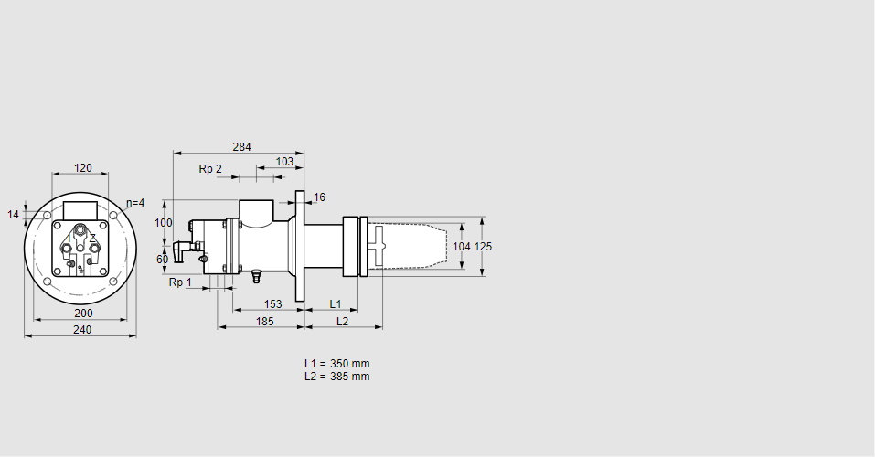
BIC 100RB-350/385-(109)FR

Стоимость товара
526976 руб.
Описание товара
84033550, БИК 100РБ-350/385-(109)ФР Тип: Газовая горелка с подключением для керамической трубки Размер горелки: 100 Использование: Холодный воздух Тип газа: Для природного газа Длина стальной трубы от фланца печи: 350 мм. Расстояние от фланца печи до переднего края головки горелки: 385 мм. Идентификатор головки горелки: 109 Стадия строительства: F Специальное использование: Для кольцевого корпуса горелки с избытком воздуха. Код товара: 84162080 Страна происхождения: DE 84033550, BIC 100RB-350/385-(109)FR Type: Burner for gas, with connection for ceramic tube Burner size: 100 Use: Cold air Gas type: For natural gas Length of steel tube as of furnace flange: 350 mm Distance from furnace flange to front edge of burner head: 385 mm Burner head identifier: 109 Construction stage: F Special use: For annular excess air burner housing Commodity code: 84162080 Country of origin: DE
Технические характеристики

Производитель: Kromschröder
Артикул: 84033550