BIC 100MG-0/35-(124)E

Стоимость товара
491630 руб.
Описание товара
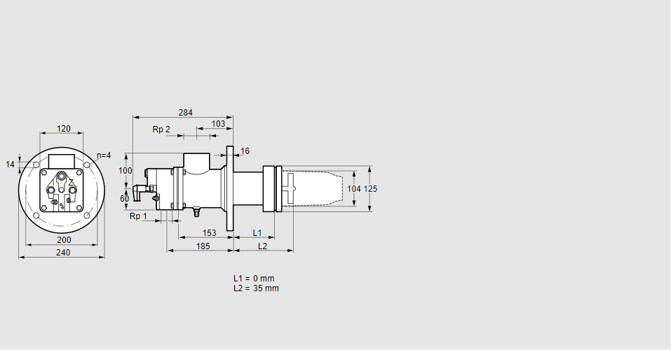
84199318, БИК 100МГ-0/35-(124)Э Тип: Газовая горелка с подключением для керамической трубки Размер горелки: 100 Использование: Для работы Menox с низким уровнем выбросов NOx. Тип газа: Для пропана, пропана/бутана, бутана Длина стальной трубы от фланца печи: 0 мм. Расстояние от фланца печи до переднего края головки горелки: 35 мм. Идентификатор головки горелки: 124 Стадия строительства: Е Код товара: 84162080 Страна происхождения: DE 84199318, BIC 100MG-0/35-(124)E Type: Burner for gas, with connection for ceramic tube Burner size: 100 Use: For menox low NOx operation Gas type: For propane, propane/butane, butane Length of steel tube as of furnace flange: 0 mm Distance from furnace flange to front edge of burner head: 35 mm Burner head identifier: 124 Construction stage: E Commodity code: 84162080 Country of origin: DE
Технические характеристики

Производитель: Kromschröder
Артикул: 84199318