BIC 100LB-0/35-(123)H

Стоимость товара
419440 руб.
Описание товара
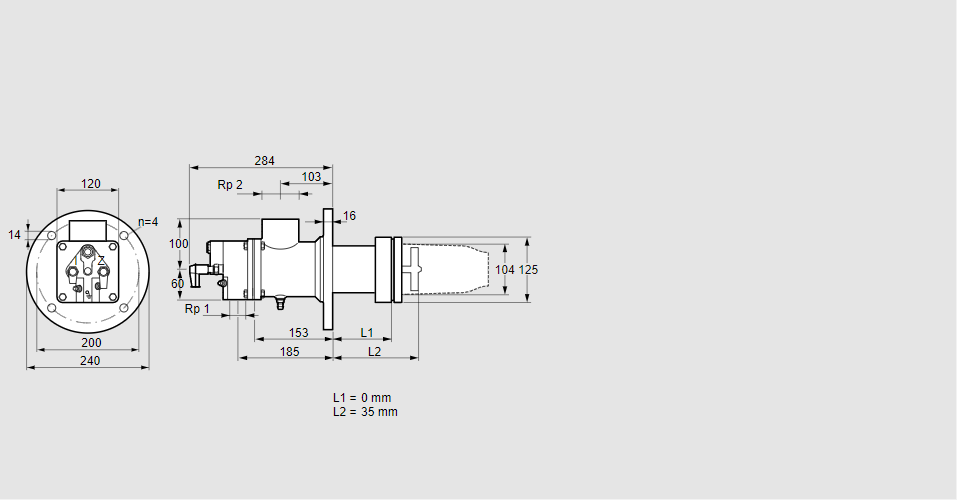
84033812, БИК 100ЛБ-0/35-(123)Х Тип: Газовая горелка с подключением для керамической трубки Размер горелки: 100 Применение: Для большого избытка воздуха и большого диапазона воспламенения. Тип газа: Для природного газа Длина стальной трубы от фланца печи: 0 мм. Расстояние от фланца печи до переднего края головки горелки: 35 мм. Идентификатор головки горелки: 123 Стадия строительства: H Код товара: 84162080 Страна происхождения: DE 84033812, BIC 100LB-0/35-(123)H Type: Burner for gas, with connection for ceramic tube Burner size: 100 Use: For high excess air and a large ignition range Gas type: For natural gas Length of steel tube as of furnace flange: 0 mm Distance from furnace flange to front edge of burner head: 35 mm Burner head identifier: 123 Construction stage: H Commodity code: 84162080 Country of origin: DE
Технические характеристики

Производитель: Kromschröder
Артикул: 84033812