BIC 100HD-500/535-(115)F

Стоимость товара
519550 руб.
Описание товара
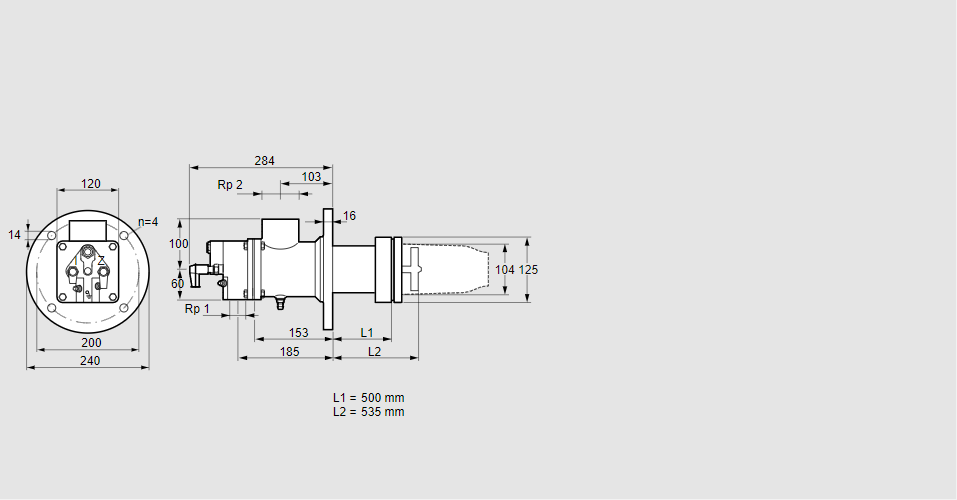
84033165, БИК 100HD-500/535-(115)Ф Тип: Газовая горелка с подключением для керамической трубки Размер горелки: 100 Использование: Горячий воздух/высокая температура печи. Тип газа: Для коксового газа, городского газа Длина стальной трубы от фланца печи: 500 мм. Расстояние от фланца печи до переднего края головки горелки: 535 мм. Идентификатор головки горелки: 115 Стадия строительства: F Код товара: 84162080 Страна происхождения: DE 84033165, BIC 100HD-500/535-(115)F Type: Burner for gas, with connection for ceramic tube Burner size: 100 Use: Hot air/high furnace temperature Gas type: For coke oven gas, town gas Length of steel tube as of furnace flange: 500 mm Distance from furnace flange to front edge of burner head: 535 mm Burner head identifier: 115 Construction stage: F Commodity code: 84162080 Country of origin: DE
Технические характеристики

Производитель: Kromschröder
Артикул: 84033165