BIC 100HD-0/35-(115B)F

Описание товара
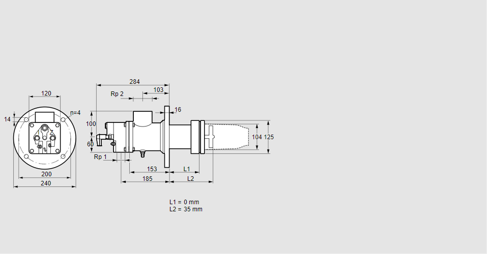
84199291, БИК 100HD-0/35-(115Б)Ф Тип: Газовая горелка с подключением для керамической трубки Размер горелки: 100 Использование: Горячий воздух/высокая температура печи. Тип газа: Для коксового газа, городского газа Длина стальной трубы от фланца печи: 0 мм. Расстояние от фланца печи до переднего края головки горелки: 35 мм. Идентификатор головки горелки: 115 Головка горелки: устойчивая к сере Стадия строительства: F Код товара: 84162080 Страна происхождения: DE 84199291, BIC 100HD-0/35-(115B)F Type: Burner for gas, with connection for ceramic tube Burner size: 100 Use: Hot air/high furnace temperature Gas type: For coke oven gas, town gas Length of steel tube as of furnace flange: 0 mm Distance from furnace flange to front edge of burner head: 35 mm Burner head identifier: 115 Burner head: Sulphur-resistant Construction stage: F Commodity code: 84162080 Country of origin: DE
Технические характеристики

Производитель: Kromschröder
Артикул: 84199291