BIC 100HD-0/35-(115)F-2

Стоимость товара
382932 руб.
Описание товара
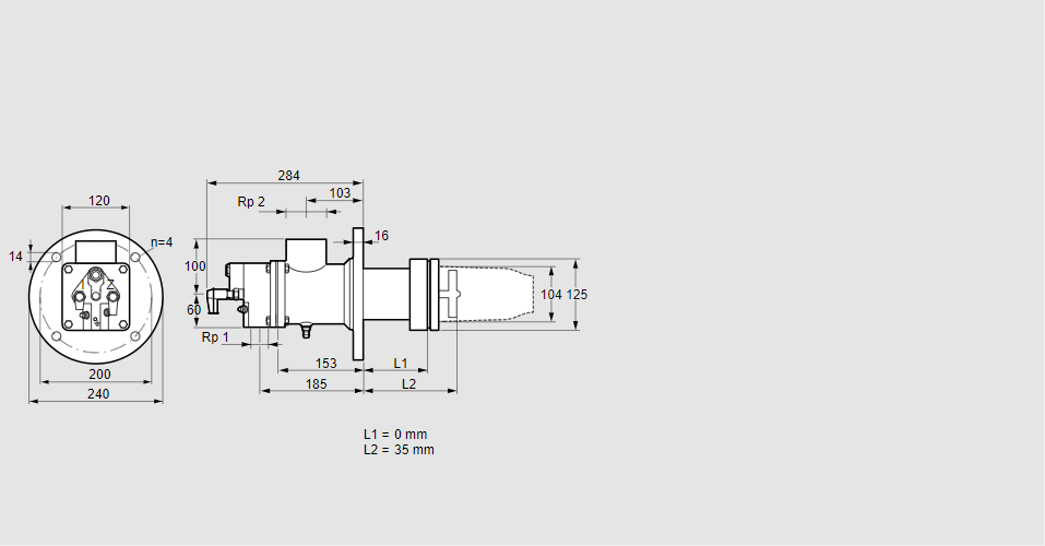
84199426, БИК 100HD-0/35-(115)Ф-2 Тип: Газовая горелка с подключением для керамической трубки Размер горелки: 100 Использование: Горячий воздух/высокая температура печи. Тип газа: Для коксового газа, городского газа Длина стальной трубы от фланца печи: 0 мм. Расстояние от фланца печи до переднего края головки горелки: 35 мм. Идентификатор головки горелки: 115 Стадия строительства: F Специальная конструкция: встроенная диафрагма для измерения водорода и монтажный комплект для контроля УФ-излучения. Код товара: 84162080 Страна происхождения: DE 84199426, BIC 100HD-0/35-(115)F-2 Type: Burner for gas, with connection for ceramic tube Burner size: 100 Use: Hot air/high furnace temperature Gas type: For coke oven gas, town gas Length of steel tube as of furnace flange: 0 mm Distance from furnace flange to front edge of burner head: 35 mm Burner head identifier: 115 Construction stage: F Special design: Integral hydrogen measuring orifice and installation set for UV control Commodity code: 84162080 Country of origin: DE
Технические характеристики

Производитель: Kromschröder
Артикул: 84199426