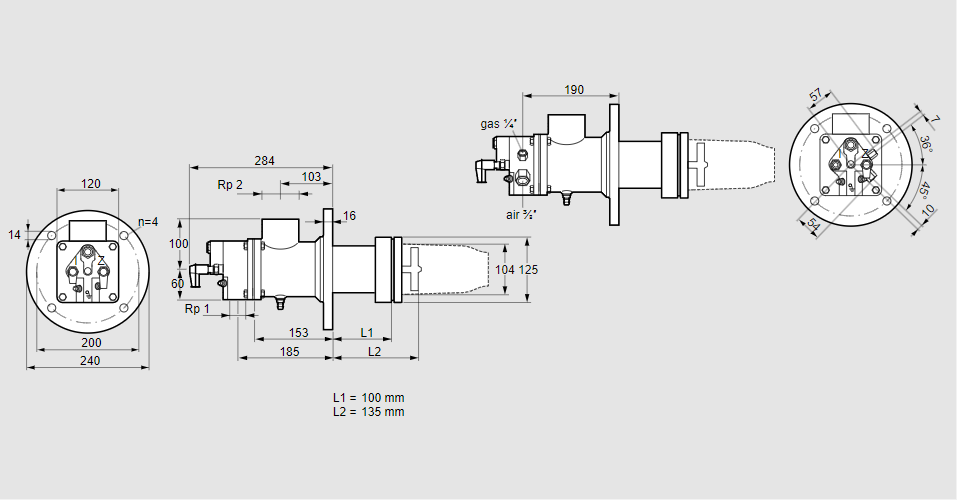
BIC 100HBL-100/135-(49)E

Стоимость товара
464216 руб.
Описание товара
84033122, БИК 100ХБЛ-100/135-(49)Э Тип: Газовая горелка с подключением для керамической трубки Размер горелки: 100 Использование: Горячий воздух/высокая температура печи. Тип газа: Для природного газа Вариант: Факел Длина стальной трубы от фланца печи: 100 мм. Расстояние от фланца печи до переднего края головки горелки: 135 мм. Идентификатор головки горелки: 49 Стадия строительства: Е Код товара: 84162080000 Страна происхождения: DE 84033122, BIC 100HBL-100/135-(49)E Type: Burner for gas, with connection for ceramic tube Burner size: 100 Use: Hot air/high furnace temperature Gas type: For natural gas Variant: Torch Length of steel tube as of furnace flange: 100 mm Distance from furnace flange to front edge of burner head: 135 mm Burner head identifier: 49 Construction stage: E Commodity code: 84162080000 Country of origin: DE
Технические характеристики

Производитель: Kromschröder
Артикул: 84033122