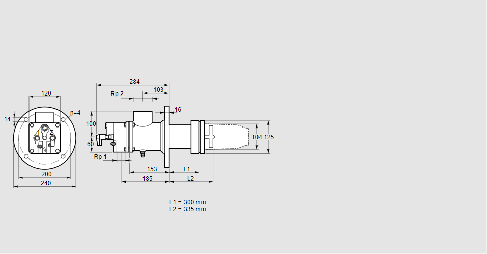
BIC 100HB-300/335-(37E)ER

Стоимость товара
601428 руб.
Описание товара
84199092, БИК 100HB-300/335-(37E)ER Тип: Газовая горелка с подключением для керамической трубки Размер горелки: 100 Использование: Горячий воздух/высокая температура печи. Тип газа: Для природного газа Длина стальной трубы от фланца печи: 300 мм. Расстояние от фланца печи до переднего края головки горелки: 335 мм. Идентификатор головки горелки: 37 Головка горелки: Термостойкая, с продуваемыми электродами. Стадия строительства: Е Специальное использование: Для кольцевого корпуса горелки с избытком воздуха. Код товара: 84162080 Страна происхождения: DE 84199092, BIC 100HB-300/335-(37E)ER Type: Burner for gas, with connection for ceramic tube Burner size: 100 Use: Hot air/high furnace temperature Gas type: For natural gas Length of steel tube as of furnace flange: 300 mm Distance from furnace flange to front edge of burner head: 335 mm Burner head identifier: 37 Burner head: Heat-resistant, with purged electrodes Construction stage: E Special use: For annular excess air burner housing Commodity code: 84162080 Country of origin: DE
Технические характеристики

Производитель: Kromschröder
Артикул: 84199092