BIC 100HB-150/185-(37)ER

Описание товара
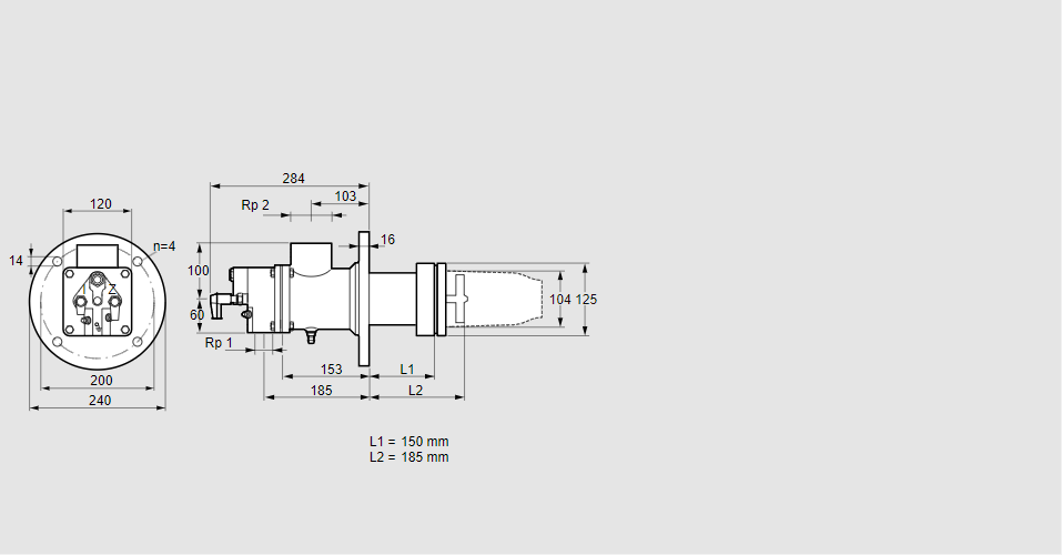
84033514, БИК 100ХБ-150/185-(37)ЭР Тип: Газовая горелка с подключением для керамической трубки Размер горелки: 100 Использование: Горячий воздух/высокая температура печи. Тип газа: Для природного газа Длина стальной трубы от фланца печи: 150 мм. Расстояние от фланца печи до переднего края головки горелки: 185 мм. Идентификатор головки горелки: 37 Стадия строительства: Е Специальное использование: Для кольцевого корпуса горелки с избытком воздуха. Код товара: 84162080 Страна происхождения: DE 84033514, BIC 100HB-150/185-(37)ER Type: Burner for gas, with connection for ceramic tube Burner size: 100 Use: Hot air/high furnace temperature Gas type: For natural gas Length of steel tube as of furnace flange: 150 mm Distance from furnace flange to front edge of burner head: 185 mm Burner head identifier: 37 Construction stage: E Special use: For annular excess air burner housing Commodity code: 84162080 Country of origin: DE
Технические характеристики

Производитель: Kromschröder
Артикул: 84033514